时代新材获得发明专利授权:“一体化叠层弹簧和轨道车辆转向架悬挂减振系统”
证券之星消息,根据天眼查APP数据显示时代新材(600458)新获得一项发明专利授权,专利名为“一体化叠层弹簧和轨道车辆转向架悬挂减振系统”,专利申请号为CN202211254320.0,授权日为2026年3月3日。

图片来源于网络,如有侵权,请联系删除
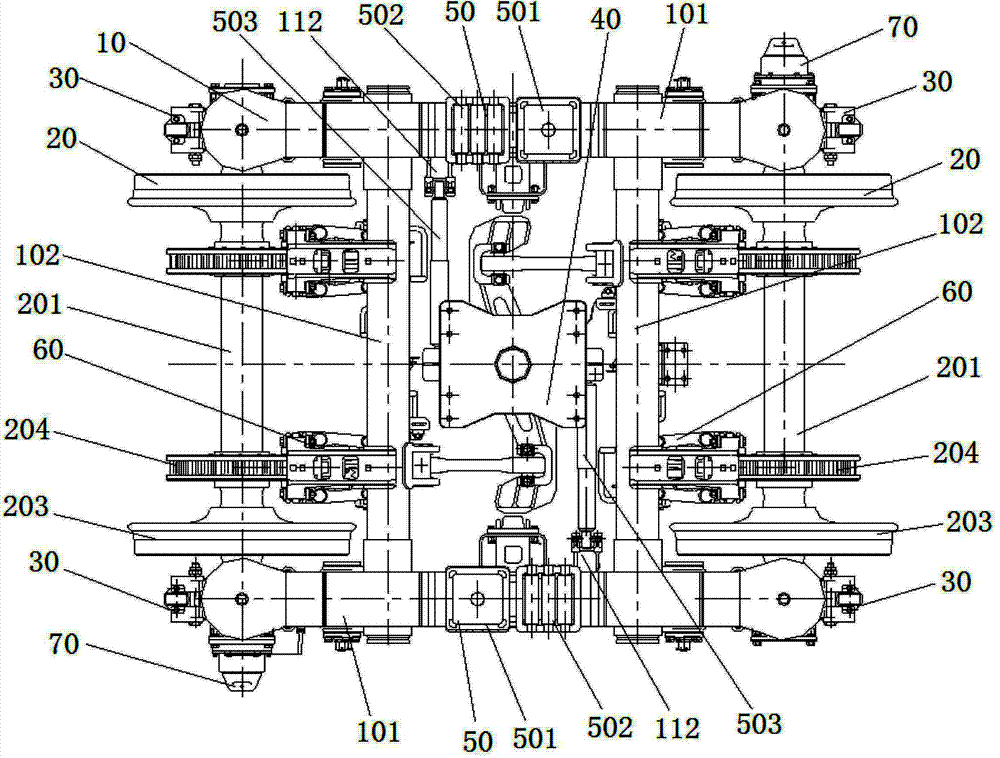
专利摘要:本发明提供了一种一体化叠层弹簧和轨道车辆转向架悬挂减振系统,对轨道车辆转向架悬挂减振系统进行轻量化和智能化设计。对叠层弹簧、电机节点、中心销套、转臂节点、液体橡胶节点、牵引节点、电机止挡、横向缓冲器、小幅倾摆系统和板弹簧进行设计,通过结构优化和新结构整合设计,去除冗余,减少零部件数量,降低部件整体重量;通过材料轻量化设计,保证结构性能的前提下,减轻这些部件重量;通过系统功能集成,将不同功能的多个零部件部件集成为单一整体系统部件,达到减重的目的。对液体橡胶复合节点液体空腔中的液体体积进行主动控制,对车体两侧的空簧的高度差进行主动控制,提高转向架部件的反应速度,达到更高速等级轨道车辆的要求。

图片来源于网络,如有侵权,请联系删除
今年以来时代新材新获得专利授权27个,较去年同期增加了145.45%。结合公司2025年中报财务数据,2025上半年公司在研发方面投入了4.77亿元,同比增4.34%。

图片来源于网络,如有侵权,请联系删除
通过天眼查大数据分析,株洲时代新材料科技股份有限公司共对外投资了21家企业,参与招投标项目4208次;财产线索方面有商标信息56条,专利信息2937条,著作权信息21条;此外企业还拥有行政许可160个。
数据来源:天眼查APP
以上内容为证券之星据公开信息整理,由AI算法生成(网信算备310104345710301240019号),不构成投资建议。