精选热闻SELECTED NEWS
今日要闻TODAY NEWS
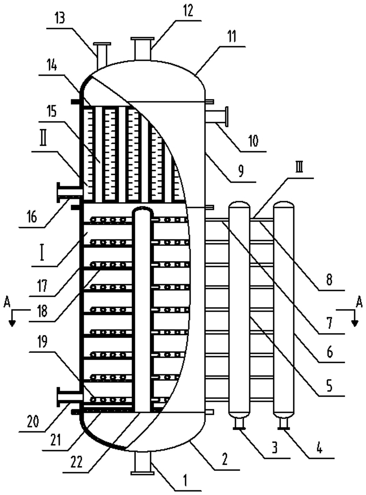
思源电气获得发明专利授权:“一种气体绝缘开关设备的联锁装置”

思源电气获得发明专利授权:“一种气体绝缘开关设备的联锁装置”

31135
2026-03-07
证券之星消息,根据天眼查APP数据显示思源电气(002028)新获得一项发明专利授权,专利名为“一种气体绝缘开关设备的联锁装置”,专利申请号为CN202310228433.1,授权日为2026年3月6日。图片来源于网络,如有侵权,请联系删除 专利摘要:本发明涉及一种气体绝缘开关设备的联锁装置,包括三工位开关机构和合闸杠杆;其特征在于:包括联锁结构,且联锁结构设置在三工位开关机构与合闸杠杆之间,通过联锁结构控制合闸杠杆与三工位开关机构的动作限制;可有效解决并列双三工位开关机构与断路器机构同时进行机械联锁,且联锁功能互不影响;本发明具有很好的可拓展性,可以应用到单一或三台三工位开关机构与断路器机构进行机械联锁;采用驱动端通过复位簧压力以线面接触的连接方式与三工位开关机构侧连接,与断路器侧采用非接触式装配;有效避免了断路器快速运动过程中的冲击力的问题,大大提高了联锁装置可靠性。图片来源于网络,如有侵权,请联系删除 今年以来思源电气新获得专利授权1个,较去年同期减少了66.67%。结合公司2025年中报财务数据,2025上半年公司在研发方面投入了5.6亿元,同比增25.95%。图片来源于网络,如有侵权,请联系删除 通过天眼查大数据分析,思源电气股份有限公司共对外投资了35家企业,参与招投标项目3646次;财产线索方面有商标信息132条,专利信息275条,著作权信息11条;此外企业还拥有行政许可50个。 数据来源:天眼查APP 以上内容为证券之星据公开信息整理,由AI算法生成(网信算备310104345710301240019号),不构成投资建议。 ...
万华化学获得发明专利授权:“一种高接枝率低交联度POE接枝MAH的制备方法”

万华化学获得发明专利授权:“一种高接枝率低交联度POE接枝MAH的制备方法”

38184
2026-03-07
证券之星消息,根据天眼查APP数据显示万华化学(600309)新获得一项发明专利授权,专利名为“一种高接枝率低交联度POE接枝MAH的制备方法”,专利申请号为CN202511949679.3,授权日为2026年3月6日。 专利摘要:本发明公开了一种高接枝率低交联度POE接枝MAH的制备方法。所述方法包括以下过程:将POE弹性体与MAH、引发剂、任选地助剂共混,在螺杆挤出机中进行熔融接枝反应,挤出、造粒,得到所述POE接枝MAH;所述POE弹性体在反应温度T下具有0.15或更大的相对活性位点含量RAS以及0.06或更低的交联接枝比CRG。本发明方法可以制备高接枝率低交联度POE接枝MAH。 今年以来万华化学新获得专利授权102个,较去年同期减少了1.92%。结合公司2025年中报财务数据,2025上半年公司在研发方面投入了22.91亿元,同比增10.1%。 通过天眼查大数据分析,万华化学集团股份有限公司共对外投资了80家企业,参与招投标项目5359次;财产线索方面有商标信息288条,专利信息6664条,著作权信息73条;此外企业还拥有行政许可1001个。 数据来源:天眼查APP 以上内容为证券之星据公开信息整理,由AI算法生成(网信算备310104345710301240019号),不构成投资建议。 ...
晶合集成获得发明专利授权:“掩膜图案的处理方法、掩膜图案的处理系统和掩膜”

晶合集成获得发明专利授权:“掩膜图案的处理方法、掩膜图案的处理系统和掩膜”

42626
2026-03-07
证券之星消息,根据天眼查APP数据显示晶合集成(688249)新获得一项发明专利授权,专利名为“掩膜图案的处理方法、掩膜图案的处理系统和掩膜”,专利申请号为CN202511632778.9,授权日为2026年3月6日。图片来源于网络,如有侵权,请联系删除 专利摘要:本申请实施例提供了一种掩膜图案的处理方法、掩膜图案的处理系统和掩膜,该方法应用于由至少两个子掩膜拼接形成的掩膜,该掩膜包括基于相邻子掩膜的重叠区域形成的拼接区域。该方法包括:获取掩膜上的掩膜图案并将其拆分为拼接图案和非拼接图案;利用对应掩膜图案的全图案光学邻近效应模型,对掩膜图案的光刻行为进行预测,得到预测光刻图案;在检测到预测光刻图案中的预测拼接光刻图案中存在缺陷的情况下,根据缺陷检测结果和拼接图案的关键尺寸复合调整规则,对拼接图案中与缺陷相对应的位置的关键尺寸进行调整处理;输出处理后的目标掩膜图案。通过本申请实施例,提升了在掩膜流片前,针对位于拼接区域内的掩膜图案进行缺陷处理的效率。图片来源于网络,如有侵权,请联系删除 今年以来晶合集成新获得专利授权99个,较去年同期增加了167.57%。结合公司2025年中报财务数据,2025上半年公司在研发方面投入了6.95亿元,同比增13.13%。图片来源于网络,如有侵权,请联系删除 通过天眼查大数据分析,合肥晶合集成电路股份有限公司共对外投资了10家企业,参与招投标项目637次;财产线索方面有商标信息75条,专利信息1672条,著作权信息9条;此外企业还拥有行政许可22个。 数据来源:天眼查APP 以上内容为证券之星据公开信息整理,由AI算法生成(网信算备310104345710301240019号),不构成投资建议。...
菲达环保获得发明专利授权:“一种板型芒刺线及其选择方法”

菲达环保获得发明专利授权:“一种板型芒刺线及其选择方法”

48560
2026-03-07
证券之星消息,根据天眼查APP数据显示菲达环保(600526)新获得一项发明专利授权,专利名为“一种板型芒刺线及其选择方法”,专利申请号为CN201911343234.5,授权日为2026年3月6日。图片来源于网络,如有侵权,请联系删除 专利摘要:本发明提出了一种板型芒刺线及其选择方法,该板刺芒刺线包括中间支撑板、放电芒刺和辅助放电针,所述中间支撑板的两侧沿长度方向间隔设置有若干个放电芒刺,两侧的放电芒刺呈相交错设置,所述中间支撑板的中间处沿长度方向间隔设置有若干个辅助放电针,所述辅助放电针与中间支撑板两侧的放电芒刺呈相交错设置,所述中间支撑板的两端具有连接部,所述连接部用以与阴极框架相固定连接。本发明还提供了一种板刺芒刺线的选择方法,根据不同的工况条件,设置了多种中间支撑板型式和两头连接部形式,能够解决阴极线电晕屏蔽、电能浪费问题,并且可以增加辅助捕集正电荷粉尘的集尘面积,提高除尘效率,降低能耗。图片来源于网络,如有侵权,请联系删除 今年以来菲达环保新获得专利授权18个,较去年同期减少了41.94%。结合公司2025年中报财务数据,2025上半年公司在研发方面投入了5900.11万元,同比增51.96%。图片来源于网络,如有侵权,请联系删除 通过天眼查大数据分析,浙江菲达环保科技股份有限公司共对外投资了28家企业,参与招投标项目20919次;财产线索方面有商标信息12条,专利信息903条,著作权信息36条;此外企业还拥有行政许可89个。 数据来源:天眼查APP 以上内容为证券之星据公开信息整理,由AI算法生成(网信算备310104345710301240019号),不构成投资建议。...
2026炊具行业:从“规模扩张”到“价值重构”的蜕变_人保车险   品牌优势——快速了解燃油汽车车险,人保财险

2026炊具行业:从“规模扩张”到“价值重构”的蜕变_人保车险 品牌优势——快速了解燃油汽车车险,人保财险

76728
2026-03-06
2026炊具行业:从“规模扩张”到“价值重构”的蜕变 2026年3月5日 来源:中研网 1295 85 图片来源于网络,如有侵权,请联系删除 北京用户提问:市场竞争激烈,外来强手加大布局,国内主题公园如何突围? 上海用户提问:智能船舶发展行动计划发布,船舶制造企业的机 江苏用户提问:研发水平落后,低端产品比例大,医药企业如何实现转型? 广东用户提问:中国海洋经济走出去的新路径在哪?该如何去制定长远规划? 福建用户提问:5G牌照发放,产业加快布局,通信设备企业的投资机会在哪里? 四川用户提问:行业集中度不断提高,云计算企业如何准确把握行业投资机会? 河南用户提问:节能环保资金缺乏,企业承受能力有限,电力企业如何突破瓶颈? 浙江用户提问:细分领域差异化突出,互联网金融企业如何把握最佳机遇? 湖北用户提问:汽车工业转型,能源结构调整,新能源汽车发展机遇在哪里? 江西用户提问:稀土行业发展现状如何,怎么推动稀土产业高质量发展? 在“双循环”新发展格局与消费升级的双重驱动下,炊具行业正经历从“功能满足”到“品质生活”的深刻转型。 在“双循环”新发展格局与消费升级的双重驱动下,炊具行业正经历从“功能满足”到“品质生活”的深刻转型。中研普华发布的(以下简称“报告”),以“政策-市场-技术”三维视角,系统梳理了“十四五”期间行业变革逻辑,并对“十五五”投资方向提出前瞻性建议。图片来源于网络,如有侵权,请联系删除 一、“十四五”炊具行业:从“规模扩张”到“价值重构”的蜕变图片来源于网络,如有侵权,请联系删除 1. 政策红利释放:绿色与智能成为核心抓手 “十四五”规划明确提出“推动绿色消费”“加快数字家庭建设”,为炊具行业指明转型方向。报告指出,政策红利正从“需求端”与“供给端”双向发力:需求端,多地出台绿色家电补贴政策,刺激消费者更换节能炊具;供给端,工信部发布《厨电行业绿色设计产品评价技术规范》,倒逼企业升级生产工艺。例如,某品牌通过改进不锈钢熔炼技术,将锅具生产能耗降低,同时推出可回收包装,成为行业绿色标杆。 中研普华分析,政策驱动下,绿色炊具与智能炊具的渗透率将持续提升。例如,具备智能温控、远程操控功能的电压力锅,在“十四五”期间市场份额显著增长,成为消费者“品质升级”的首选。这一趋势背后,是政策与市场的共振——政策引导消费观念转变,市场反哺企业技术创新。 2. 消费分层加剧:从“单一价格战”到“场景化竞争” “十四五”期间,炊具市场的消费分层现象愈发明显。报告强调,不同消费群体对炊具的需求已从“价格敏感”转向“价值敏感”:年轻群体追求“颜值经济”与“社交属性”,愿意为设计感强、适合拍照分享的炊具支付溢价;中产家庭注重“健康管理”与“效率提升”,偏好具备低温烹饪、自动清洗功能的高端炊具;银发群体则强调“适老化”与“安全性”,对防烫手柄、大字体显示等细节设计需求强烈。 这种分层推动了炊具企业的“场景化竞争”。例如,某品牌针对年轻群体推出“迷你电煮锅”,集煮、涮、煎功能于一体,且体积小巧、配色时尚,成为独居青年的“厨房神器”;另一品牌则面向中产家庭推出“智能蒸烤一体机”,通过APP连接提供个性化菜谱,满足“健康+便捷”的双重需求。中研普华提醒,消费分层不是市场细分,而是价值重构——企业需通过“产品+服务”的组合,满足不同场景下的深度需求。 3. 渠道变革加速:从“线下主导”到“全域融合” “十四五”期间,炊具行业的渠道结构发生根本性变化。报告指出,传统线下渠道(如商超、家电卖场)的占比持续下降,而线上渠道(电商平台、直播带货)与新兴渠道(社区团购、智能家居体验店)快速崛起。例如,某品牌通过与头部主播合作,单场直播销售额可观,同时布局“线下体验+线上购买”的O2O模式,提升用户粘性。 更值得关注的是“渠道即服务”的转型。例如,某品牌在电商平台推出“炊具租赁服务”,用户可按月付费使用高端锅具,降低尝试成本;另一品牌则在智能家居体验店设置“烹饪课堂”,由专业厨师演示炊具使用技巧,将渠道从“销售场所”升级为“生活场景教育基地”。中研普华预测,未来渠道的核心价值将不仅是“卖货”,更是“用户运营”——通过渠道触点收集用户反馈,反向驱动产品迭代。 二、“十五五”投资趋势:技术、场景与生态的三重机遇 1. 技术投资:材料革命与智能化的深度融合 “十五五”期间,炊具行业的技术投资将聚焦两大方向:材料创新与智能化升级。强调,材料革命是炊具性能突破的关键。例如,某企业研发的“纳米陶...
保险有温度,人保财险 _2026中国教育科技行业市场深度分析

保险有温度,人保财险 _2026中国教育科技行业市场深度分析

53384
2026-03-06
2026中国教育科技行业市场深度分析 2026年3月5日 来源:互联网 555 31 图片来源于网络,如有侵权,请联系删除 北京用户提问:市场竞争激烈,外来强手加大布局,国内主题公园如何突围? 上海用户提问:智能船舶发展行动计划发布,船舶制造企业的机 江苏用户提问:研发水平落后,低端产品比例大,医药企业如何实现转型? 广东用户提问:中国海洋经济走出去的新路径在哪?该如何去制定长远规划? 福建用户提问:5G牌照发放,产业加快布局,通信设备企业的投资机会在哪里? 四川用户提问:行业集中度不断提高,云计算企业如何准确把握行业投资机会? 河南用户提问:节能环保资金缺乏,企业承受能力有限,电力企业如何突破瓶颈? 浙江用户提问:细分领域差异化突出,互联网金融企业如何把握最佳机遇? 湖北用户提问:汽车工业转型,能源结构调整,新能源汽车发展机遇在哪里? 江西用户提问:稀土行业发展现状如何,怎么推动稀土产业高质量发展? 教育科技行业已形成覆盖基础教育、职业教育、终身学习等全链条的生态系统,各细分领域呈现出多元化发展态势。在职业教育领域,企业定制课程与“学历+技能+就业”全链条服务成为竞争焦点。 在全球数字化转型浪潮的推动下,教育科技行业正经历着前所未有的深刻变革。从传统教育模式的逐渐转型,到新兴技术在教学场景中的广泛应用,教育科技不仅重塑了教育生态,更成为推动教育公平与质量提升的核心力量。图片来源于网络,如有侵权,请联系删除 一、教育科技行业发展现状分析 技术深度融合,重塑教学场景 当前,人工智能、大数据、虚拟现实(VR)、增强现实(AR)等前沿技术正深度融入教育领域,推动教学场景发生根本性变革。在基础教育中,智能教具通过方言实时转译功能,有效解决了少数民族地区语言障碍问题,促进了教育资源的均衡分配。虚拟实验室则利用VR/AR技术,将物理、化学等实验课程数字化,不仅降低了设备成本,还显著提升了操作安全性,为学生提供了更加直观、生动的学习体验。例如,在医学教育中,通过VR模拟手术训练,学生能够在虚拟环境中进行反复练习,从而降低操作失误率,提高实践技能。 细分领域多元发展,满足多样化需求 教育科技行业已形成覆盖基础教育、职业教育、终身学习等全链条的生态系统,各细分领域呈现出多元化发展态势。在职业教育领域,企业定制课程与“学历+技能+就业”全链条服务成为竞争焦点。新能源车企与职业院校共建培养体系,通过模拟真实工作场景的实训系统,大幅提升人才输送效率,满足企业对高素质技能人才的需求。跨境电商实训平台则通过认证运营人才,有效降低企业用人成本,促进产业与教育的深度融合。 终身学习市场则呈现爆发式增长,老年数字素养培训、企业在线培训等细分领域快速崛起。头部知识付费平台通过开设老年大学课程,显著提升了老年用户的学习时长,满足了老年人对新知识、新技能的学习需求。同时,企业通过知识付费为银发人群提供培训,相关业务收入实现规模化增长,推动了终身学习理念的普及。 区域市场差异化发展,政策扶持成效显著 区域市场方面,教育科技行业呈现出明显的差异化发展特征。东部地区依托技术优势形成创新高地,部分城市AI教育企业密度领先,相关企业的“AI教材”进入多所中小学必修课,推动了人工智能教育在基础教育阶段的普及。中西部地区则通过政策扶持实现突围,国家乡村振兴专项投入资金用于乡村教育数字化,区域教育云项目成为标杆,有效提升了偏远地区的教育质量。例如,成都的“AI+川剧”非遗课程、武汉的“区域教育云”等项目,不仅丰富了地方教育特色,还促进了传统文化的传承与发展。 全球市场持续增长,中美双核驱动 全球教育科技市场规模持续扩张,呈现出中美双核驱动的发展格局。美国凭借其高度发达的科技产业和成熟的教育体系,在K12课后辅导、高等教育数字化转型等领域占据领先地位,市场规模占据全球主要份额。中国则凭借庞大的教育人口基数、高度普及的互联网基础设施以及持续加码的政策支持,成为全球教育科技发展的核心引擎之一。近年来,中国在线教育用户规模持续扩大,移动设备的普及和互联网接入的广泛性为在线教育提供了坚实的基础,推动了教育科技市场的快速增长。 细分领域市场规模分化,智能硬件与在线教育表现突出 在细分领域中,智能硬件与在线教育市场规模表现尤为突出。智能硬件方面,学习机、电子词典笔等品类市占率集中,AI学习机出货量年均增长显著。这些智能硬件设备不仅能够提供个性化学习体验,还能通过数据分析帮助教师更精准地了解学生的学习状况和需求,...
2026中国家电行业:从单品智能到全屋生态的系统跃迁_保险有温度,拥有“如意行”驾乘险,出行更顺畅!

2026中国家电行业:从单品智能到全屋生态的系统跃迁_保险有温度,拥有“如意行”驾乘险,出行更顺畅!

70981
2026-03-06
保险有温度,拥有“如意行”驾乘险,出行更顺畅!_2026中国家电行业:从单品智能到全屋生态的系统跃迁 2026年3月5日 来源:中研网 603 34 图片来源于网络,如有侵权,请联系删除 北京用户提问:市场竞争激烈,外来强手加大布局,国内主题公园如何突围? 上海用户提问:智能船舶发展行动计划发布,船舶制造企业的机 江苏用户提问:研发水平落后,低端产品比例大,医药企业如何实现转型? 广东用户提问:中国海洋经济走出去的新路径在哪?该如何去制定长远规划? 福建用户提问:5G牌照发放,产业加快布局,通信设备企业的投资机会在哪里? 四川用户提问:行业集中度不断提高,云计算企业如何准确把握行业投资机会? 河南用户提问:节能环保资金缺乏,企业承受能力有限,电力企业如何突破瓶颈? 浙江用户提问:细分领域差异化突出,互联网金融企业如何把握最佳机遇? 湖北用户提问:汽车工业转型,能源结构调整,新能源汽车发展机遇在哪里? 江西用户提问:稀土行业发展现状如何,怎么推动稀土产业高质量发展? “人工智能+”成为各地“十五五”规划建议中的高频关键词,智能化转型被置于推动制造业高质量发展、构建现代化产业体系的核心位置。 引言:在变革中重塑价值——中国家电产业的“十五五”新征程图片来源于网络,如有侵权,请联系删除 当人工智能算法开始理解家庭成员的个性化需求并自动调节室内环境,当绿色制造理念贯穿从原材料采购到产品回收的全生命周期,当中国品牌在全球高端市场赢得消费者心智认同——中国家电产业正站在一个从“规模领先”向“价值引领”深刻转型的历史拐点。这场转型背后,是政策导向的明确指引、技术革命的深度渗透、消费理念的全面升级与全球竞争格局的重塑,共同推动着行业从“制造大国”向“创造强国”的范式跃迁。图片来源于网络,如有侵权,请联系删除 中研普华产业研究院在中明确指出,“十五五”时期(2026-2030年)将是中国家电产业从“跟随创新”转向“引领创新”、从“成本竞争”转向“价值竞争”、从“产品出海”转向“品牌出海”的关键五年。这一时期,产业发展的核心逻辑将从规模扩张转向质量提升,从要素驱动转向创新驱动,从国内循环为主转向国内国际双循环相互促进。 一、政策环境:“十五五”规划引领下的产业升级新逻辑 1.1 智能化转型:从单品智能到全屋生态的系统跃迁 “人工智能+”成为各地“十五五”规划建议中的高频关键词,智能化转型被置于推动制造业高质量发展、构建现代化产业体系的核心位置。从辽宁提出协同发展通用人工智能、生成式人工智能,支持全屋智能产品研发推广,到山东全面实施“人工智能+”行动,推动人工智能与产业发展深度融合,再到浙江深化国家数字经济创新发展试验区建设、广东专门布局“智能经济”——政策导向明确释放出家电产业向智能化深度转型的强烈信号。 中研普华产业研究院分析指出,这一轮智能化转型与“十四五”期间的单品智能化有着本质区别。它不再是简单的功能叠加或远程控制,而是基于AIoT技术、大数据分析与场景化算法的全屋智能生态构建。家电产品将从独立运行的硬件设备,转变为能够感知环境、理解需求、自主决策的智能终端,并通过统一的家庭中枢实现跨品类、跨品牌的场景化协同。这种系统性的智能化跃迁,将重新定义家电产品的价值边界与商业模式,推动企业从“硬件制造商”向“生态服务商”战略转型。 1.2 绿色化发展:从能效标准到全生命周期碳管理的体系构建 绿色制造与低碳转型成为“十五五”期间家电产业可持续发展的核心命题。山东提出实行碳排放总量和强度双控制度,健全碳排放计量标准和统计核算体系,稳步落实产品碳足迹等政策制度;浙江着眼于构建全省碳足迹管理体系,开展新一轮省级及以上开发区绿色低碳循环化改造行动;广东明确实施工业领域碳达峰行动,完善绿色交通运输网络体系,大力推广绿色建造、绿色建材。这些政策导向表明,绿色化已从企业的“可选动作”转变为“必答题”,从产品的“营销卖点”升级为“市场准入门槛”。 中研普华在中强调,未来的绿色竞争将是全产业链、全生命周期的系统性竞争。企业不仅需要关注产品使用阶段的能效表现,更需构建覆盖原材料采购、生产制造、物流运输、使用维护到回收利用的全链条碳管理体系。产品碳足迹、材料可追溯性、绿色标准对接,将逐步成为中高端市场与外贸出口的“硬性约束”。这种从“末端治理”到“源头控制”的转变,将倒逼企业重构供应链、革新生产工艺、创新商业模式。 1.3 消费提振:从政策刺激到结构升级的动能转换 以旧换新政策的常态化执行与...
2026中国健康饮料行业:控糖焦虑驱动的成分重构_人保服务 ,拥有“如意行”驾乘险,出行更顺畅!

2026中国健康饮料行业:控糖焦虑驱动的成分重构_人保服务 ,拥有“如意行”驾乘险,出行更顺畅!

62263
2026-03-06
人保服务 ,拥有“如意行”驾乘险,出行更顺畅!_2026中国健康饮料行业:控糖焦虑驱动的成分重构 2026年3月5日 来源:中研网 298 12 图片来源于网络,如有侵权,请联系删除 北京用户提问:市场竞争激烈,外来强手加大布局,国内主题公园如何突围? 上海用户提问:智能船舶发展行动计划发布,船舶制造企业的机 江苏用户提问:研发水平落后,低端产品比例大,医药企业如何实现转型? 广东用户提问:中国海洋经济走出去的新路径在哪?该如何去制定长远规划? 福建用户提问:5G牌照发放,产业加快布局,通信设备企业的投资机会在哪里? 四川用户提问:行业集中度不断提高,云计算企业如何准确把握行业投资机会? 河南用户提问:节能环保资金缺乏,企业承受能力有限,电力企业如何突破瓶颈? 浙江用户提问:细分领域差异化突出,互联网金融企业如何把握最佳机遇? 湖北用户提问:汽车工业转型,能源结构调整,新能源汽车发展机遇在哪里? 江西用户提问:稀土行业发展现状如何,怎么推动稀土产业高质量发展? 2025年,中国健康饮料产业正处于"从解渴到养生、从泛功能到精准营养、从规模竞争到价值竞争"转型的关键阶段。 中国健康饮料产业正站在从"口感偏好"向"健康刚需"跃迁的历史性转折点上。图片来源于网络,如有侵权,请联系删除 作为深耕产业咨询领域多年的专业机构,中研普华产业研究院在编制过程中,通过大量实地调研、政策研读与企业访谈,深刻感受到这个行业正在经历的"基因重组":这不是简单的配方调整或营销升级,而是涉及消费逻辑重构、技术标准升级、产业技术革命和商业模式创新的系统性变革。从"十四五"的规模扩张到"十五五"的价值创造,健康饮料产业正在完成从"饮料供应商"向"健康解决方案提供商"的历史性跨越。图片来源于网络,如有侵权,请联系删除 一、无糖革命:控糖焦虑驱动的成分重构 2025年,中国健康饮料市场最显著的变革莫过于无糖化的全面渗透。当全国超65%的成年人面临超重或肥胖问题,当"0糖0卡"成为社交媒体高频词,植物饮料的无糖化转型已从"可选"变为"必选"。 代糖技术的迭代升级成为产业变革的技术基础。2025年,中国代糖市场规模预计达85亿元,全球市场规模达246亿美元,同比增长11%。市场格局呈现多元化特征:赤藓糖醇占据35%的市场份额,成为饮料代糖的主力;甜菊糖苷因其天然来源属性受到消费者青睐,市场份额达25%;阿洛酮糖通过生物发酵技术使成本下降40%,成为新兴代糖黑马。 复合配方的技术创新解决了口感与健康的矛盾。元气森林冰茶采用赤藓糖醇+甜菊糖苷复合配方,甜度接近蔗糖,且无苦后味。酶解减糖技术通过特定酶制剂将蔗糖分解为葡萄糖和果糖,再选择性去除,实现"无添加"减糖,使产品糖分降低45%,同时保持原有风味。风味修饰技术结合香料和天然提取物修饰代糖的异味,使产品接受度提升30%。 无糖产品的溢价能力验证了市场价值。中研普华产业研究院《2025-2030年中国植物饮料行业市场深度调研及投资策略预测报告》预测,2025年无糖植物饮料客单价较含糖产品高出25%,且复购率达行业平均水平的1.6倍。这一趋势背后,是消费者对"健康"的重视程度超越"价格敏感度",为行业提供了结构性增长机遇。 中研普华在《投资分析报告》中强调,未来的无糖竞争将是"技术壁垒"的竞争。那些能够掌握复合代糖配方、酶解减糖技术、风味修饰技术的企业,将在无糖化浪潮中建立难以复制的竞争优势。 二、功能升级:从"泛功能化"到"精准营养" 2025年,健康饮料的功能化趋势日益显著。消费者不再满足于"解渴",而是期待饮料能提供"助眠""提神""增强免疫力"等附加价值。 益生菌与肠道健康的深度结合成为功能创新的重要方向。2025年,添加益生菌、膳食纤维的功能性植物饮料占比达28%,较2024年增长12个百分点。巴西研究人员开发的富含乌饭树花青素的燕麦-葡萄益生菌饮料,在28天冷藏储存期间维持益生菌活力,抗氧化活性显著提升,α-葡萄糖苷酶抑制率增加,体现了益生菌微生物与基质成分之间的协同作用。 情绪健康与助眠功能的开拓满足都市人群需求。添加GABA(γ-氨基丁酸)的植物饮料通过调节神经递质缓解焦虑,成为都市白领的"睡前刚需";添加B族维生素的能量饮料,以"0咖啡因、0副作用"为卖点,抢占运动人群市场。三得利添加"茶氨酸+GABA"布局助眠场景,元气森林推出微气泡茶开拓佐餐市场,46%消费者开始审查成分表,推动品类从功能饮品向文化载体进化。 运动营养的精...
“她力量”|阳光人寿业务总监伍家宜:用专业和温度,在数字化浪潮中站稳脚跟

“她力量”|阳光人寿业务总监伍家宜:用专业和温度,在数字化浪潮中站稳脚跟

40015
2026-03-06
“保险代理人这份工作,是我守护他人幸福的使命,是我实现自我价值的舞台,更是我与客户并肩前行的人生战友。”图片来源于网络,如有侵权,请联系删除 阳光人寿业务总监、信托架构师 伍家宜图片来源于网络,如有侵权,请联系删除 这是伍家宜入行的第十三年。作为阳光人寿业务总监、信托架构师,她的履历上排列着一串闪闪发光的Title:中央电视台“保惠美好”节目特邀演讲嘉宾、中华遗嘱库义工、中国保险名家白金奖、RFC国际认证财务顾问师、华大讲师、连续十年IDA、MDRT百万圆桌会员、连续十年获IQA国际品质诚信奖……这些Title不仅记录着她从一名行业新人成长为精英领袖的轨迹,更见证了她如何将一份“工作”升华为一份传递温暖与安全感的事业。 如果用一个词来形容伍家宜的职业底色,那一定是“守护”。十二年的从业生涯,她为1200个家庭送出了3341份保险保障,管理着超过83亿保额的信任。她说,最初选择保险,就源于对“守护”的执念,源于身边一位女性朋友因缺乏保障而在重疾面前险些放弃治疗的无奈。 那一刻,她深刻意识到,女性在家庭和社会中扮演着多重角色,她们是女儿、是妻子、是母亲,是家庭的“定海神针”,但也缺少抵御未知风险的铠甲。保险的“守护属性”就此在她心中扎下了根——它不仅是一份金融工具,更是守护着女性的健康与底气。 从最初面对行业偏见和家人不解,到如今能够为客户提供“人、财、法、税、股”一站式保障方案,伍家宜的成长轨迹,本身就在展示着女性如何在职场上通过专业与坚韧打破壁垒。面对客户质疑,她从不急于辩解,而是用女性特有的细腻与共情去洞察客户的焦虑,用极致的专业去建立信任。在她看来,女性从业者的细腻不是软肋,而是理解客户未说出口需求的触角。 如今,站在2026年的门槛上,保险行业正经历着从“产品导向”向“客户需求导向”的深刻变革。数字化浪潮汹涌而来,但伍家宜始终坚信,保险的本质是人与人的信任与共情。如果代理人只依赖数字化工具,忽略了对客户需求的深度洞察和情感连接,就会失去核心价值。她认为,必须拥抱技术,但更要坚守“以客户为中心”的初心,用专业和温度,在数字化浪潮中站稳脚跟。 值此“三八”国际妇女节之际,我们对话伍家宜,聆听她如何在保险这条赛道上,用专业做火炬,点燃更多女性面对人生风浪的底气,展现那独一无二、温柔而坚韧的“她力量”。 以下为部分对话实录: Q:最初是什么契机,让你选择成为一名保险代理人? 伍家宜:最初选择成为保险代理人,源于我对“守护”的执念。我身边有一位女性朋友,在遭遇重疾后,因缺乏充足保障,不仅要承受病痛折磨,还要为巨额医疗费焦虑,甚至一度放弃治疗。这件事让我深刻意识到,女性在家庭和社会中承担着多重角色,更需要一份坚实的保障来抵御未知风险。保险的 “守护属性” 深深吸引了我——它不仅是一份金融工具,更是守护身边女性健康与底气的铠甲。我希望能通过自己的专业,让更多女性在面对人生风浪时,有底气从容应对,不必因经济压力妥协。 Q:从业初期,有没有遇到过困惑或阻碍?你是如何克服这些困难的? 伍家宜:从业初期,最大的阻碍来自行业偏见和家人的不理解。很多人对保险的认知还停留在“推销”层面,家人担心我会被误解,甚至劝我放弃;客户也常带着质疑,觉得女性做保险“不够专业”。 我没有急于辩解,而是用行动打破偏见:每天深耕条款、学习财富管理知识,主动为客户做免费的风险分析;耐心倾听需求,用真实案例和专业方案建立信任。我始终相信,女性的细腻与共情是我们的优势——我们更能理解客户的焦虑,更能精准捕捉他们未说出口的需求。当我用专业和真诚帮客户解决问题时,偏见自然会被打破,家人也从最初的反对,变成了现在最坚实的支持者。 Q:这么多年下来,你对“保险代理人”这份职业的认知,有没有发生变化? 伍家宜:从业十二年,我对这份职业的认知早已从“一份工作”升华为“一份传递温暖的事业”。最初入行,我只是把它当作谋生的手段,但随着接触越来越多的客户,尤其是看到客户在拿到理赔款时,从焦虑到释然的眼神,我才深刻意识到,保险代理人的本质是“责任”。 我们是客户人生风险的“守门员”,是家庭财富的“规划师”,更是传递安全感的“同行者”。对我而言,这份职业早已超越了工作本身,它是我守护他人幸福的使命,是我实现自我价值的舞台,更是我与客户并肩前行的人生战友。 Q:从新手到资深代理人,你觉得自己最大的成长和蜕变是什么?你的“核心竞争力”是什么? 伍家宜:最大的成长,是从“单一卖保单”转变为“综合财富管理专家”。刚入行时,我只懂保险条款;现在,我能整合医疗、法务、税务等资源,为客户提供“人、财、法、税、股”一站式保障方案。这种蜕变,源于我对专业的极致追求——我不仅考取了RFC国际认证财务顾问师,还深耕企业风险隔离、婚姻资产保全、家族财富传承等领域,甚至...
2025年算力租赁行业深度分析:现状剖析、前景展望与趋势_保险有温度,人保服务

2025年算力租赁行业深度分析:现状剖析、前景展望与趋势_保险有温度,人保服务

77614
2026-03-06
2025年算力租赁行业深度分析:现状剖析、前景展望与趋势 2026年3月5日 来源:中研网 807 49 图片来源于网络,如有侵权,请联系删除 北京用户提问:市场竞争激烈,外来强手加大布局,国内主题公园如何突围? 上海用户提问:智能船舶发展行动计划发布,船舶制造企业的机 江苏用户提问:研发水平落后,低端产品比例大,医药企业如何实现转型? 广东用户提问:中国海洋经济走出去的新路径在哪?该如何去制定长远规划? 福建用户提问:5G牌照发放,产业加快布局,通信设备企业的投资机会在哪里? 四川用户提问:行业集中度不断提高,云计算企业如何准确把握行业投资机会? 河南用户提问:节能环保资金缺乏,企业承受能力有限,电力企业如何突破瓶颈? 浙江用户提问:细分领域差异化突出,互联网金融企业如何把握最佳机遇? 湖北用户提问:汽车工业转型,能源结构调整,新能源汽车发展机遇在哪里? 江西用户提问:稀土行业发展现状如何,怎么推动稀土产业高质量发展? 在数字经济蓬勃发展的当下,算力已成为驱动创新的核心生产力要素。算力租赁作为一种新兴商业模式,通过将计算资源以租赁形式提供给用户,有效降低了企业获取算力的门槛与成本,提高了资源利用效率。该行业不仅为人工智能、大数据、区块链等新兴技术的发展提供了关键支撑 在数字经济蓬勃发展的当下,算力已成为驱动创新的核心生产力要素。算力租赁作为一种新兴商业模式,通过将计算资源以租赁形式提供给用户,有效降低了企业获取算力的门槛与成本,提高了资源利用效率。该行业不仅为人工智能、大数据、区块链等新兴技术的发展提供了关键支撑,也推动了传统产业的数字化转型。本文将对算力租赁行业的发展现状、前景及趋势进行系统分析。图片来源于网络,如有侵权,请联系删除 (一)市场规模持续扩张图片来源于网络,如有侵权,请联系删除 据中研普华产业院研究报告《》分析,近年来,随着人工智能技术的快速发展,大模型训练对算力的需求呈现指数级增长。互联网巨头单次训练需调用大量高性能计算设备,推动智能算力需求大幅攀升。同时,垂直领域对算力的需求也日益旺盛,金融业高频交易与风控建模、医疗基因分析、智能制造工业仿真等场景,均对算力提出了更高要求。在需求驱动下,算力租赁市场规模持续扩大,成为数字经济领域的新增长点。 (二)需求结构多元化 算力租赁市场需求呈现出多元化特征。从行业分布来看,互联网行业是核心需求方,其对云计算、AI模型训练及实时推理等高算力场景的依赖,使其在算力租赁市场中占据较大份额。政府需求则聚焦于智慧城市、政务云和公共安全等领域,对数据合规性及安全性要求较高,倾向于采用私有化部署与国产化算力解决方案。金融行业对低延迟算力和异构资源调度能力有较高要求,以满足高频交易风控、量化建模及反欺诈分析等需求。制造与教育行业需求增长潜力较大,制造业强调边缘计算与实时性响应能力,教育行业需求则相对分散且周期性明显。 (三)供给格局逐步优化 算力租赁市场供给主体主要包括传统云服务商、电信运营商、第三方IDC服务商以及其他多元参与方。传统云服务商和电信运营商凭借技术优势、基础设施资源以及广泛的市场覆盖,占据市场主导地位,市场份额较高。第三方IDC服务商通过专业的数据中心运营和管理能力,为市场提供可靠的算力租赁服务,满足部分客户对数据中心基础设施的需求。此外,上游设备企业、跨界厂商、人工智能企业、地方政府和技术平台服务商等多元参与方,通过提供核心硬件支持、利用资源和技术优势进入市场、专注于AI算力解决方案、政策支持和基础设施建设推动产业发展、整合异构算力资源等方式,共同构建了多元化的供给格局。 (四)区域发展不均衡 我国算力租赁市场区域发展存在明显差异。东部地区经济发达,数字经济活跃,对算力的需求旺盛,算力租赁行业发展较为成熟。北京、上海、广州、深圳等地不仅拥有庞大的互联网产业基础,而且政策支持力度大,吸引了大量算力租赁企业入驻,数据中心密度较高,市场活跃。中西部地区虽然起步较晚,但近年来发展迅速。随着“东数西算”工程的推进,中西部地区依托土地、电力等资源优势,加快数据中心建设,算力供给能力不断提升,逐渐成为算力租赁市场的新兴力量。 (一)政策支持力度加大 国家高度重视算力基础设施建设,出台了一系列政策文件支持算力租赁行业发展。《“十四五”数字经济发展规划》明确提出要加快构建新型基础设施,算力租赁作为关键基础设施之一得到重点强调。地方政府也纷纷出台相关政策,鼓励国企与民间资本共建算力设施,发放算力券补...