昱能科技公布国际专利申请:“一种移相全桥变换器及其控制方法、装置、介质”
71239
2025年10月18日
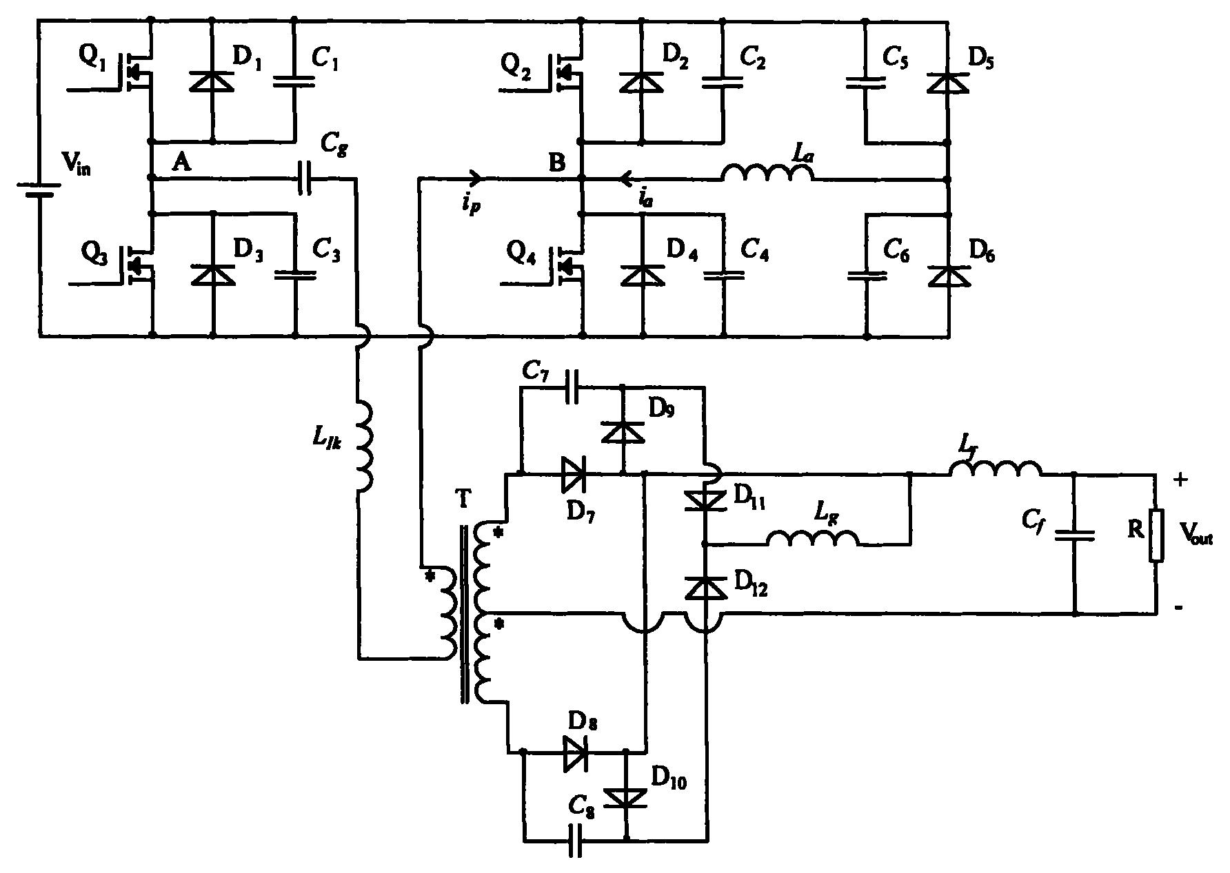
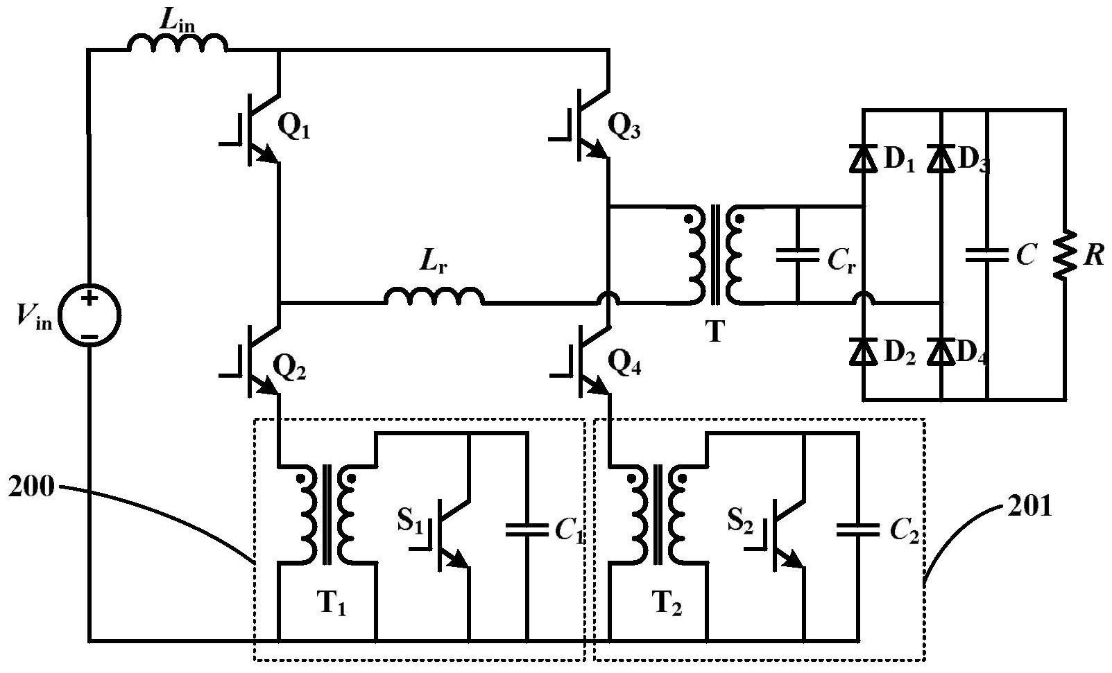
证券之星消息,根据企查查数据显示昱能科技(688348)公布了一项国际专利申请,专利名为“一种移相全桥变换器及其控制方法、装置、介质”,专利申请号为PCT/CN2024/105888,国际公布日为2025年10月16日。

图片来源于网络,如有侵权,请联系删除
专利详情如下:

图片来源于网络,如有侵权,请联系删除
图片来源:世界知识产权组织(WIPO)

图片来源于网络,如有侵权,请联系删除
今年以来昱能科技已公布的国际专利申请3个,较去年同期增加了50%。结合公司2025年中报财务数据,今年上半年公司在研发方面投入了5866.22万元,同比增3.61%。
数据来源:企查查
以上内容为证券之星据公开信息整理,由AI算法生成(网信算备310104345710301240019号),不构成投资建议。